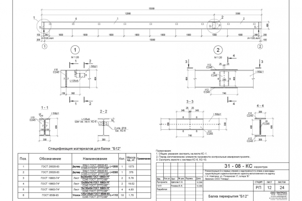
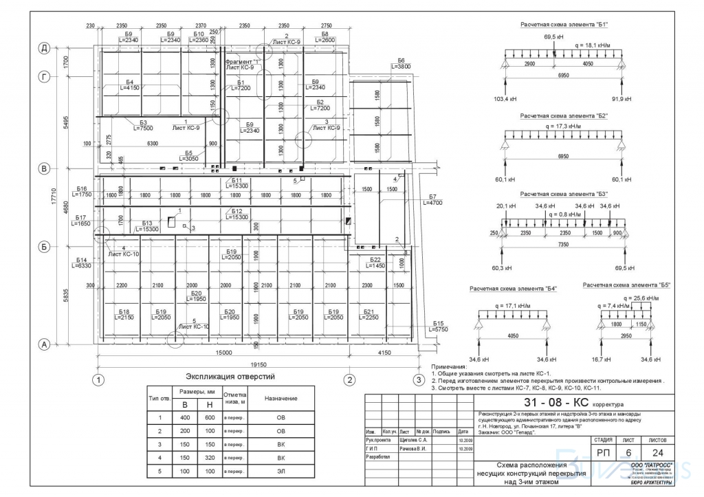
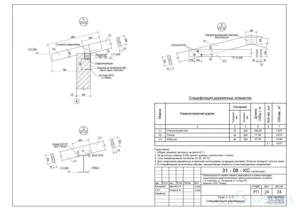
Par projektu

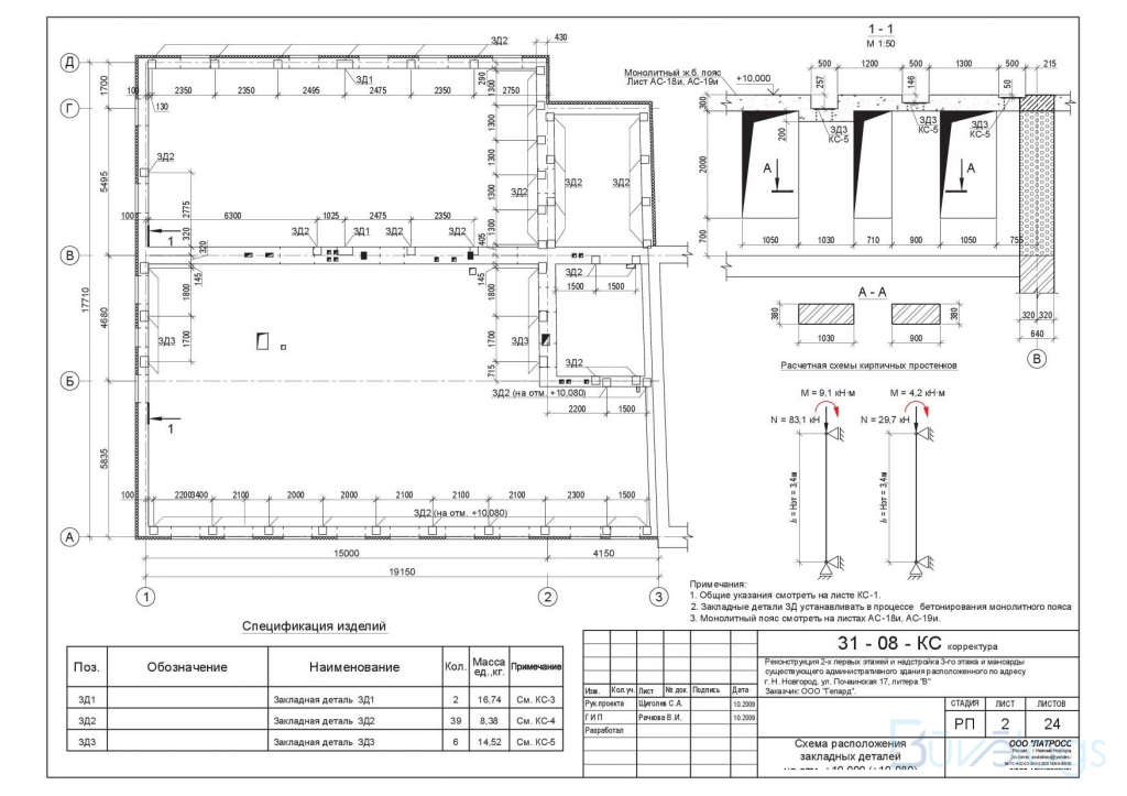
Administratīvās ēkas esošo 2 stāvu rekonstrukcija ar 3. stāva un mansarda stāva uzbūvi

Objekts atrodas Počainskaja ielā 17, lit. „B”, Nižņajā Novgorodā, Krievijas Federācijā.

Stāvu platība 1200 m2.
Būvtilpums 4000 m3.

Būvprojekta vadība: SIA „Latross”

Gallerija › Administratīvās ēkas esošo 2 stāvu rekonstrukcija ar 3. stāva un mansarda stāva uzbūvi